上海枫信

上海枫信

Coutact us

Company Name: Shanghai Fengxin Transmission Machinery Co., Ltd

Address: Lane 5000, Baoqian Highway, Waigang Town, Jiading District, Shanghai

Tel: 86-021-69577328  86-021-69577152  86-021-60521714

Fax: 86-021-69577150

Mobile phone: 86-15026720952  86-15121132945  86-18964087328  86-13296071714  86-13564840659

Mobile phone number and WeChat are the same number

Email: 514765255@qq.com

Q Q: 514765255


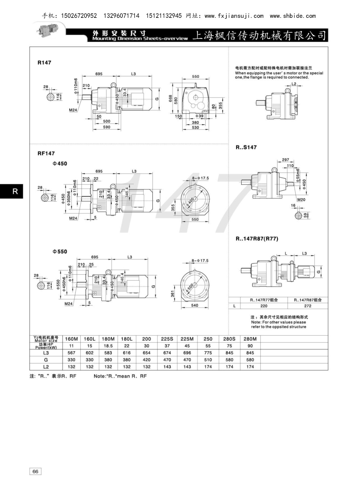
FXR series helical gear hard tooth surface reducer
Detailed selection parameters and size parameters
Whatsapp
Email
Tel
Scan